發布日期:2022-04-20 點擊率:49
高壓脈沖發生器的主放電回路的等效電路。其中,S是可控開關,C1是電容器組電容,R1是高壓變壓器輸入端的損耗電阻,L1,L2分別是高壓變壓器初次級電感,K為耦合系數,C2為次級分布電容,R2為總的工作負載。高壓脈沖發生器等效電路:

等效電路
可觸發脈沖發生器電路如圖所示,它主要由CD40012輸人端四或非門集成電路及外圍元件組成。或非門1、2組成單穩態電路,在觸發信號的作用下,它將產生一個門控脈沖。或非門3、4組成一個不穩態電路,受控于門控脈沖,調節電位器RPl可以改變其振蕩頻率,以便調節在門控時間T內產生的脈沖個數,對電路觸發一次產生的脈沖個數可在2~30之間變化。不穩態電路有兩路輸出,或非門3輸出為正脈沖信號,而或非門4則輸出負脈沖信號。
電路的觸發方式可用手控按鈕,也可采用觸發信號。

可觸發脈沖發生器電路

如圖所示為占空比可調的實用脈沖信號發生器。al與周圍元件組成脈沖頻率發生電路,分接三個不同電容對應三個頻率量程,rpl用于頻率細調。a3與周圍元件組成調制信號發生電路,也分三擋量程,rp2用于調制頻率信號的細調。rp3用于調制信號的增益調節。rp4控制占空比。
這種高壓發生器適用于需要高電壓,小電流的場合,可獲得數千伏至數萬伏的高壓。
電路如圖所示。由脈沖發生器、驅動器和高壓變壓器組成。脈沖發生器利用一個555定時器產生連續的脈沖串到VT1。VT1作為緩沖器,起到隔離IC1和VT3柵極的高空抗負載的作用。電阻R1和R3、R2 和R4調節IC13腳的輸出脈沖頻率。該脈沖串控制VT3的通斷,在Tl 的初級產生高頻交變磁場,從而在T1的次級產生所需的高頻、高壓電流。Tl 可采用現成的黑白電視機中的行輸出變壓器。


電子滅蟲燈電路
電源電路由電源開關S、熔斷器FU、電源變壓器Tl、整流二極管VDl-VD4、濾波電容器Cl、C3、三端穩壓集成電路ICl、限流電阻器Rl和電源指示發光二極管VL組成。
脈沖振蕩器由時基集成電路lC2、電阻器R2、R3、電位器RPl和電容器C2、叫組成。
高壓發生器由晶體管Vl、V2、電位器RP2、RP3、電阻器R4、R5、脈沖變壓器T2和高壓電網(由高壓電極A、B組成)組成。
EL為誘光燈,C5為降壓電容器。
接通電源開關S后,交流220V電壓一路經C5降壓后將EL點亮;另一路經Tl降壓、VDl-VD4整流、Cl濾波及ICl穩壓后,為脈沖振蕩器和高壓發生器提供+l2V工作電源。VDl-VD4整流后的直流電壓還經Rl限流后將VLA亮。
RPl選用小型實心電位器或可變電阻器;R陀和RP3選用小型合成膜電位器或可變電阻器。
Cl選用耐壓值為25V的鋁電解電容器;C2選用耐壓值為16V的鋁電解電容器;C3和C4均選用獨石電容器;C5選用耐壓值為400V以上的CBB電容器。
VDl-VD4均選用1N4007型硅整流二極管;VD5選用1N4148型硅開關二極管。
VL選用φ3mm的高亮度發光二極管。
Vl選用DDOl或SDO3型硅NPN晶體管;V2選用BU406或3DDl5型硅NPN晶體管。
ICl選用LM7812或AN7812型三端穩壓集成電路;IC2選用NE555或5G1555型時基集成電路。
Tl選用3-5W、二次電壓為l5V的電源變壓器;T2使用高壓電擊器用脈沖變壓器或黑白電視機的行輸出變壓器。
S選用5A、220V的電源開關。
高壓電極采用兩根裸導線制成燈籠狀電網。
EL選用3W的紫外燈管,安裝在燈籠狀電網內。

直流電源產生高壓脈沖發生器電路
如圖電路利用6V-12V直流電源可產生一種高壓脈沖。電路中三極管Q1、Q2構成了一振蕩器,產生頻率為3Hz的直流脈沖電壓,并輸入變壓器比為6V:240V升壓器的初級線圈,在每個脈沖結束時,相應地在變壓器的次級線圈產生一高電壓。脈沖的重復頻率可通過選擇C2、R1值進行調整。本電路在警棍中使用時,可采用鉛酸電池
繼電器是一種電控制器件,是當輸入量(激勵量)的變化達到規定要求時,在電氣輸出電路中使被控量發生預定的階躍變化的一種電器。它具有控制系統(又稱輸入回路)和被控制系統(又稱輸出回路)之間的互動關系。通常應用于自動化的控制電路中,它實際上是用小電流去控制大電流運作的一種“自動開關”。故在電路中起著自動調節、安全保護、轉換電路等作用。
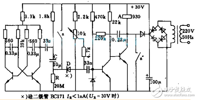
本文介紹的是一款延遲吸合繼電器開關控制電路圖。如下圖所示,在接通電源后,時間流程開始電容C首先放電而后通過20M從點電阻充電。

繼電器光控開關電路如下圖,主要特點是白天有光照,燈泡不亮,夜晚黯淡無光,電路自動通電,燈泡亮起。
白天在較強光照下,光導管227A(一種光敏電阻)兩端阻值很小,約20~50kΩ,晶體管VT2獲得基極電流而導通,VT1從R2上得到正偏電壓也導通,繼電器線圈KA得電,繼電器的常閉觸電②、③斷開,兩只晶閘管V1和V2沒有觸發信號而不導通,因而燈泡EL不亮。

夜幕降臨時,隨著光照強度下降,光導管227A的阻值不斷增加,最終可達1MΩ左右,VT1因基極電流太小而截止,VT1也相應截止,繼電器KA失電釋放,常閉觸電②、③閉合,晶閘管V1、V2因其兩控制相連而處于雙向導通狀態,電源被接通,照明燈亮。
圖中,電容器C3用于防止夜間瞬時強光干擾引起照明燈熄滅。而當光亮強度在臨界點附件緩慢變化時,易引起繼電器顫動而使燈光閃動,C2可以過濾掉脈沖電流,避免照明燈閃亮。
傳統室內燈光控制為墻壁開關的簡單控制模式,完全由人操控,因為進入室內人員的節能意識不足,隨意將所有燈打開,造成能源的浪費。本裝置經過智能處理器分析處理再決定燈開關電源最終打開與否,有效地避免了實際教室內部的通電即亮的情況的發生。本設計主要是完成室內燈光的自動調節功能。由光敏電阻進行光線強度的采集,并由光敏電阻的特性得到相應的模擬信號量,交由MSC51單片機,MSC51單片機在接收到信號之后做出相應的處理,給出控制信號,控制繼電器的接通與否,從而實現燈光的智能控制。此設計在保證有效照明強度的調解下,合理的控制燈管的數量,從而實現了節能的目的。

解決室內公共照明的電能浪費問題。由光敏電阻采集光強信號,經轉換得到數字信號交單片機分析判斷處理,再由繼電器控制燈光照明電路,最終決定燈光電源開與否,從而節約電能。創新方面,光敏電阻對室內光線感光結合單片機綜合控制,改變傳統的控制模式,合理控制照明燈的數量。關鍵點在于信號的采集及 MCS-51邏輯判定部分。本裝置由智能處理器進行分析給出控制信號,有別于 傳統燈光控制模式。傳統室內燈光控制為墻壁開關的簡單 控制模式,完全由人操控,因為進入室內人員的節能意識不足,隨意將所有燈打開,造成能源的浪費。此外利用光敏電阻進行實時的光強信號的采集,得出實時的光照強度。裝置的使用者僅僅需要按照平時的習慣接通電源即可,最終能否打開燈的電源,還得依賴于智能處理器給出的控制信號,整個過程由智能控制器自動完成。最大的三個優勢 1、節能 2、造價低廉 3、自動完成燈線強度的調節 本裝置適用于類似于學校教室的室內照明環境。目前教室的燈光控制完全由人的意念決定,導致電能的嚴重浪費。由于此設備造價低廉,線路連接和改造簡單,易推廣應用,經濟效益可觀。
JS20單結晶體管時間繼電器電路設計
電路原理:電路由延時環節、鑒幅器、輸出電路、電源和指示燈五部分組成。電源的穩壓部分由電阻R,和穩壓管vs構成,為延時環節供電,輸出電路中的晶閘管VTH和繼電器。KA則由半波整流電路直接供電。當接通電源后,經二極管VD1整流、電容cl濾波、并經RJ和VS的穩壓后,通過RP1、R4對電容G進行充電。電容G上電壓按指數規律逐漸升高,當此電壓大于單結晶體管VT的峰點電壓時,單結晶體管導通,G經VT的eb1極和風放電,在風上輸出脈沖電壓,觸發藩閘管VTH導通使繼電器KA吸合,KA的觸頭同時將C3短路,使之迅速放電,單結晶體管的ebl之間電壓迅速下降,當降到Vr.的谷點電壓時,Vr關閉。同時LED指示燈點亮。當切斷電源時,繼電器KA釋放,電路恢復原始狀態,等待下次動作。通過調節RP.可以調整延時時間。

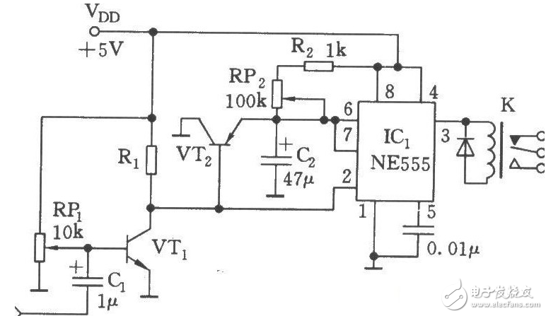
如下圖所示,該電路由聲音檢測電路和單穩觸發電路組成,執行元件為繼電器.VT1完成輸入音頻信號的放大,當有信號來時,使555置位,K吸合。同時,VT2導通,C2上的電荷通過555內部的放電管和VT2迅即放完。聲音過后,VT1、VT2截止,C2通過R2、RP2對其充電,單穩態電路的暫穩時間td=l.1(R2 RP2)C2,延時范圍在0.05~0.5秒,可通過RP2來調節。

下一篇: PLC、DCS、FCS三大控
上一篇: 一位老電工處理直流屏